Схема подключения реле планета 5
Иж планета 5 реле зарядки
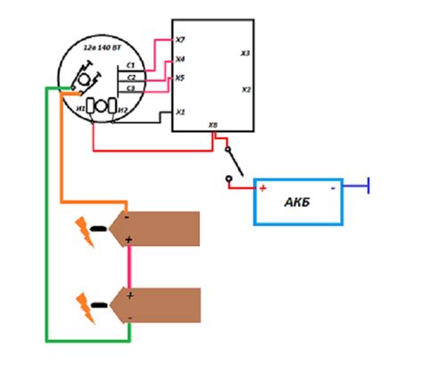
Реле зарядки иж планета 5 12 вольт схема подклю...
Схема проводки иж планета 5 12 вольт - фото и к...
Реле зарядки ( БПВ ) Иж Планета проводное - Мот...
Электрическая схема иж планета 5 12 вольт с опи...
Схема подключения генератора иж планета
Схема подключения реле иж планета
Схема подключения реле зарядки на иж планета 5
Схема реле иж планета 5
Схема подключения реле зарядки иж планета 5
Схема подключения зарядки иж планета 5