Преобразователь для автомобильного сабвуфера.
Схема фильтр низких частот для сабвуфера своими...
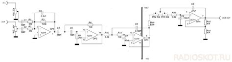
Схема фильтра низких частот для сабвуфера
Преобразователь для сабвуфера из динамиков – По...
Фильтр для сабвуфера: своими руками, низких час...
Фильтр низких частот для сабвуфера - YouTube
Схема фильтра низких частот для сабвуфера - Схемы
Фнч для сабвуфера
Фильтр низких частот для сабвуфера своими рукам...
Как подключить сабвуфер через линейный преобраз...
Самодельный моно усилитель низких частот для са...
Активный фильтр низких частот (ФНЧ) для сабвуфе...
Фільтр низьких частот моно 22-300 Гц для сабвуф...
Фильтр низких частот для сабвуферного усилителя
Фильтр для сабвуфера схема
Радио Схемы - АКТИВНЫЙ ФИЛЬТР НИЗКИХ ЧАСТОТ ДЛЯ...
Фильтр низких частот для сабвуфера на PT2351 — ...