Ограничитель силы тока в нагрузке - схемотехнич...
Как ограничить ток в цепи постоянного тока
Схема ограничения тока на полевом транзисторе: ...
Ограничители тока для защиты электрических и эл...
Ограничитель пускового тока схема
Как найти силу тока в физике все формулы
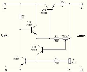
Изображение
Регулятор тока СВОИМИ РУКАМИ! Ограничитель тока...
Ограничитель тока: Ограничители тока для защиты...
Купить ограничитель пускового тока - Светосерви...