Датчики движения для включения света: выбор и ц...
Датчик движения для включения света: виды, выбо...
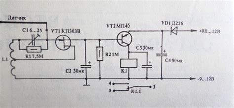
Собираем датчик движения для включения света
Датчик объема для включения света схема подключ...
Датчик звука для включения света: предназначени...
Датчик движения для включения света: устройство...
ᐉ Датчик включения света автоматический 220 В (...
Датчик движения для включения света своими руками
Датчик движения для включения света – устройств...
Датчик движения для включения света: виды, монт...
? Датчик движения для включения света: разновид...
Датчик движения для включения света: виды, подк...
Принцип работы датчика объема и рекомендации по...
Схема подключения лампы с датчиком освещенности
Датчик в шкаф для включения света - 92 фото
Схема подключения и настройка датчика движения ...
Схема включения датчика света
Датчик включения и выключения света
Датчик света для уличного освещения - схема под...
Схема включения света
Датчик дневного света схема подключения
регулировка датчика движения для включения свет...
Датчик движения для включения света – схема под...
Датчик движения для включения света: принцип де...
Датчик движения для включения света схема своим...
Как подключить датчик света для уличного освеще...