1977г. Москва. НИИ педиатрии АМН СССР. - YouTube
005 - 400х150 мм. - Полиграфыч - Владимир
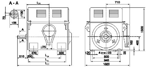
Электродвигатели асинхронные а4-400, 450
Плита магнитная мелкополюсная 400Х150 мм купить...
Фитинг AN4 150°
Бронеавтомобиль АМН-590951 "Спартак" с 57-мм ав...
АМН 150х150 Решетка вентиляционная Арктос
China ASTM A500 Square Steel Tube Hersteller, L...
Вентиляционные решетки однорядные Арктос | Fest...
Сгъваема конзола 400 х 400мм бяла ⋆ MASTERHAUS
Шины 400х150
Т-отвод плавный универсальный к лотку 400х150, ...
CM-400 Woven Wire Mesh | Amron Architectural
AMT 6-9-2024 - Australian Macedonian Weekly & T...
Решетки АМН Арктос (Арктика) – цены и характери...
АРМИЯ РФ: многоцелевой бронированный автомобиль...
АМР 400х150 Решетка вентиляционная Арктос
Лампа щитка приладів АМН 24-4 КамАЗ, МАЗ, ЗИЛ (...
Решітка вентиляційна металева Вентс ДР 400х150 ...
Лампа накаливания АМН 24-4 24В 4Вт цоколь BA9S/...
ANV-400
НОВИНКИ 400х400
M 400-50 A - DIN/EN - Werkstoffblatt - SteelShop
Гриндер с рабочим полем 400х150. 89892927302 - ...
Падова втулка, среден, червен, 400 мм | Керхер
Складово стопанство
АМН
Din 150x400 - YouTube