7805 Voltage Regulator IC Pinout, Features, Cir...
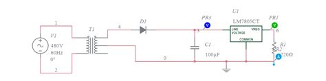
7805ct - Multisim Live
Semiconductor: 7805 - VOLTAGE REGULATOR +5V...
62 TRANSISTOR 7805 - * Transistor
7805 Voltage Regulator
7805CT datasheet(1/28 Pages) ONSEMI | Voltage R...
7805CT 7805 VOLTAGE REGULATOR +5V | Shopee Mala...
Make your own 7805 Voltage Regulator from Trans...
Make 7805 Using Transistors
Capacitor Sizes for 7805 Regulator - Electrical...
Semiconductor: L7805CT (L 7805CT) - VOLTAGE REG...
7805CT Datasheet, Regulator, ON Semiconductor
Semiconductor: 7805 - VOLTAGE REGULATOR +5V... ...
IC Transistor 7805, board at Rs 5/piece in Delh...
7805 Transistor Circuit Diagram
7805CT ON Transistors - Veswin Electronics
7805CT Datasheet - 1A, 5V, Voltage Regulator ( ...
MC7805CT-7805CT-7805-high-precision-three-termi...
7805CT - Motorola
Introduction to 7805 - The Engineering Projects
7805 Datasheet PDF - Positive Voltage Regulator...
10PCS L7805CV L7805 7805 transistor three termi...
IC 7805 Voltage Regulator | HubPages
7805CT Voltage Regulator 5V TO220
IC 7805: Voltage Regulator
#7805 IC Voltage Regulator Circuit - YouTube
Pin on Building
Exploring the 7805 Circuit: Operation and Appli...
10Pcs / Lot cw7805 7805 Transistor TO-220 Origi...
7805CT datasheet(26/28 Pages) ONSEMI | Voltage ...
how to connect transistor 7805 - YouTube