Электрическое сопротивление проводников. Единиц...
В цепи, показанной на рисунке, ЭДС источника € ...
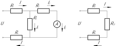
790. Найти силу токов и напряжения в цепи (рис....
Чему равно общее сопротивление участка цепи, из...
Сопротивление 20 ом купить
Рассчитайте общее сопротивление электрической ц...
Электрическое сопротивление - презентация онлайн
Необходимо найти общее сопротивление. Помогите ...
Решение: Какой ток покажет амперметр, если напр...
Расчет добавочного сопротивления к вольтметру
Чему равно общее сопротивление участка цепи изо...
определите по схеме общее сопротивление цепи и ...
Определите сопротивление лампы Л1 (рис.), если ...
чему равно общее сопротивление электрической це...
Закон Ома. Расчёт сопротивления проводника. (8 ...
Найдите общее сопротивление цепи (рис. 5) , есл...
Сопротивление 100 ватт 15 Ом
Конспект "Электрическое сопротивление" - Учител...
Размер динамиков - 13 см Двухполосные Сопротивл...
Сопротивления проводника. Удельное сопротивлени...
Тормозной резистор ООО КЕВ-РУС мощность 16 кВт,...
Таблица удельного сопротивления ом м
Физика Три резистора сопротивлением 10, 15 и 30...
Расчет сопротивления проводника. Удельное сопро...
Сопротивление - YouTube
Что такое сопротивление - Самое простое объяснение
Определите общее сопротивление электрической це...
Определите общее сопротивление цепи - Школьные ...
Определите общее сопротивление R участка цепи (...
Специфичното съпротивление на проводника - YouTube