Микросхема к155ие2 описание и схема включения -...
Использование К155ЛА3 - Схемотехника для начина...
Жучок На Микросхеме К155ла3 - Страница 2 - Ради...
Микросхемы
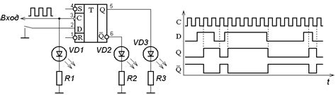
Микросхема к155тм2 описание и схема включения -...
к155ла3 - Микросхемы - РетроРадиоДеталь
К155ЛД3 КМ15ЛД3
Схемы на микросхеме К155ЛА3
Микросхема к155ла3.
10 РЕАЛЬНЫХ схем на микросхеме К155ЛА3 | Дмитри...
К155ИМ3, КМ155ИМ3
микросхема к155ли5 - Разное - Форум по радиоэле...
Микросхемы К155ИЕ1 - Продам-Отдам, Услуги - Фор...
К155ЛА3: Содержание драгметаллов в микросхеме
Микросхемы К155ЛР3 — купить по низкой цене на Я...
Микросхема к155тм2 описание и схема включения
155 серия - Музей электронных раритетов
Микросхема к155ие5 описание и схема включения
НА ИНТЕГРАЛЬНЫХ МИКРОСХЕМАХ СЕРИИ К155
Микросхемы К155ЛА3 Как их быстро проверять ? - ...
Микросхема к155аг3 описание и схема включения -...
1.1.3. Рекомендации по применению интегральных ...
Микросхема К155ЛА3 и электронные самоделки на н...
Рис. 139 Микросхемы полных сумматоров К155ИМ2, ...
К155ТМ2 - Схемотехника для начинающих - Форум п...