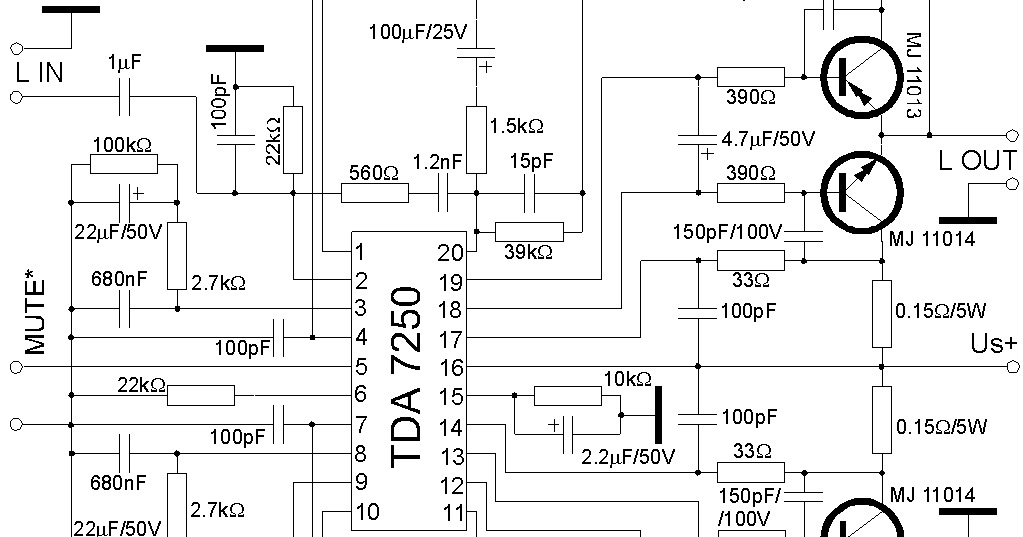
Elektronics Schematic Library: Power Amplifier TDA7250

Elektronics Schematic Library: Power Amplifier TDA7250