1384349 - Моечная установка — PatentDB.ru
Моечная установка М-217 в Уфе (Установки моечны...
Как установить мойку в кухонный гарнитур? - You...
RU100467U1 - Стационарная моечная установка - G...
Монтаж оборудования для мойки самообслуживания....
Как установить мойку - варианты установки мойки
Установка посудомоечных машин - куда поставить ...
Как установить смеситель на мойку(раковину) и п...
Установка врезной кухонной мойки своими руками ...
Установка мойки на кухне накладной - 86 фото
Моечная установка 1126М1 – купить за 2188000 ру...
Идеальный монтаж кухонной мойки - YouTube
Как установить мойку на кухне
Как обустроить мойку - Со Вкусом
Установка посудомоечной машины - YouTube
Установка накладной мойки - YouTube
Установка моечная М-200.1 - Пермский край
Правила установки врезной мойки - 80 фото
Инструкция по сборке кухонной мойки - YouTube
УБОРОЧНО-МОЕЧНОЕ ОБОРУДОВАНИЕ, НАЗНАЧЕНИЕ И КОН...
Установка смесителя на мойку за 10 минут. - You...
Установка кухонных моек
Моечная установка для полиэтилена купить | Офиц...
мойка для кухни, смеситель, измельчитель - YouTube
Монтаж мойки. Монтаж мойки в столешницу. Крепеж...
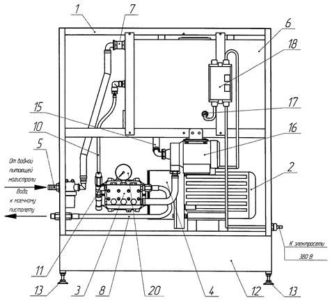
Моечная установка
Установка для мойки М-200 малогабаритных детале...
Установка мойки. Сборка мебели. Врезка мойки в ...
Установка и монтаж кухонной мойки. Цена от 1500...
Как собрать и установить парикмахерскую мойку -...
Установка мойки и смесителя на кухню. Как сдела...
Как правильно установить мойку, смеситель и сиф...