Реле промежуточные электромагнитные РП-21-002 –...
Реле промежуточные электромагнитные РП-21-003 ~...
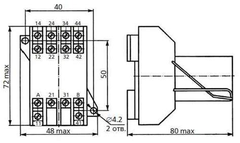
РП 21, реле промежуточное РП-21
РЕЛЕ ПРОМЕЖУТОЧНЫЕ РП-21 | Промышленный Альянс
Купить реле РП 21 в Ростове-на-Дону – поставщик...
Реле РП-21 - расшифровка, содержание драгметалл...
Реле РП-21 004 12В
Реле РП-21-004 УХЛ 4Б (220В)
Реле промежуточное РП-21М-003
РП-21-004 24В 50Гц реле промежуточное электрома...
Реле РП 21-003 промежуточное купить в Ростове-н...
Реле рп 21 ухл4 220в схема подключения
РП-21 промежуточное реле. Описание, параметры, ...
Реле промежуточное РП-21-001 – AS ENERGI
Реле рп21м характеристики – -21, -21
Реле РП 21 купить в Челябинске от УралГидроМаш
Реле промежуточные электромагнитные РП-21-004 –...
Реле промежуточные РП-21 - купить в СПБ | «Алья...
Реле РП-21-004 | Завод Электроконтактор
Реле промежуточные электромагнитные РП-21-001 –...
Реле промежуточное РП-21М купить по цене 600 ₽ ...
Реле РП-21М -004, в наличии с доставкой по России
Реле Рп -21 | Пикабу
рп21-ухл4 реле — купить в Красноярске. Состояни...
Реле промежуточное РП-21 с розеткой — купить в ...