Фубаг 6600 aes генератор руководство - NEVINKA-...
Fubag bs 6600 generator 3D model - TurboSquid 1...
Бензиновый генератор ER 6600 E - купить в интер...
Блок автоматики FUBAG Startmaster BS 11500 D (4...
FUBAG Блок автоматики Startmaster BS 6600 D Fub...
GENERATOR FUNKCYJNY FY6600 CYFROWY 50MHz - 7673...
Генератор бензиновый FUBAG BS 6600 A ES купить ...
Фубаг автоматика для генератора 6600 купить в У...
Fubag BS 6600 A ES – бензиновый генератор по ни...
Fubag BS 6600 DA ES – бензиновый генератор по н...
Бензиновый генератор FUBAG BS 6600 DA ES с авто...
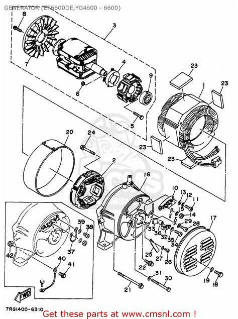
Генератор yamaha ef6600de подделка
Fubag BS 6600 DA ES с электростартером (641693)...
Генератор Yamaha EF 6600
Краткий обзор FUBAG BS 6600 DA ES
GAŹNIK AGREGATU 6600F GENERATORA PRĄDOTWÓRCZEGO...
Электростанция бензиновая FUBAG BS 6600 646280 ...
Agregat prądotwórczy generator prądu Fogo 6600 ...
Генератор бензиновый Fubag BS 6600 DA ES - купи...
Генератор Yamaha EF 6600. Техническая характери...
Генератор FUBAG BS 6600 A ES — купить в Москве,...
Yamaha Генератор Ef 6600E Инструкция По Эксплуа...
Бензиновый генератор Fubag BS 6600 - YouTube
Блок автоматики FUBAG Startmaster BS 6600 (230V...
Генератор бензиновый Fubag BS 6600 A ES | 83879...
Бензиновый генератор Fubag BS 6600 A ES 641692 ...
Вопросы и ответы о Генератор бензиновый FUBAG B...
Бензиновый генератор FUBAG BS 11000 A ES + Блок...
Обзор Бензиновый генератор FUBAG BS 6600 A ES -...