Измеритель индуктивности на Arduino - Arduino
Измеритель индуктивности своими руками схема - ...
Простой измеритель индуктивности | NiceTV
Измеряем параметры ёмкости и индуктивности с по...
Физика магнитного поля. Индуктивность. Лекция 1...
Самодельный измеритель индуктивности катушек и ...
Купить дисплей my6243 3 1/2 1999 подсчитывает ц...
Компьютер - измеритель индуктивности - Измерени...
измеритель индуктивности аналоговый - Дайте схе...
Индуктивный измерительный прибор - Энциклопедия...
Индуктивность: формула, единица измерения
Трёхдиапазонный измеритель индуктивности Больши...
Лабораторная работа № 3 Измерение индуктивности...
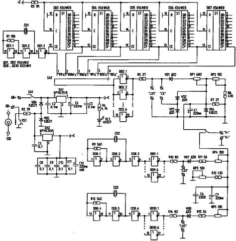
ИЗМЕРИТЕЛЬ ЁМКОСТИ И ИНДУКТИВНОСТИ
Victor VC6243 профессиональный измеритель индук...
Высокоточный измеритель индуктивности и емкости
Приставка-измеритель Индуктивности - Измеритель...
Как измерить индуктивность Осциллографом! | Дми...
Измерение емкости и индуктивности - презентация...
Измерение индуктивности подручными средствами.:...
Аналоговые измерители индуктивности и емкости -...
Измеритель емкости, индуктивности и частоты Рад...
Индуктивный датчик положения | СЕНСОР
Индуктивный датчик цена - Анемометры
Измеритель индуктивности - Измерения - Портал р...