Схема китайской автомагнитолы tda7388 - фото
TDA 7388 ORIGINAL IC TDA 7388 ASLI TRANSISTOR T...
TDA7388 Аудио Усилитель мощности Интегральная с...
TDA7388 Amplifier Pinout, Datasheet, Equivalent...
TDA7388 Datasheet: аналоги, схема и характеристики
TDA 7388 проблема в запуске - УМЗЧ на интеграль...
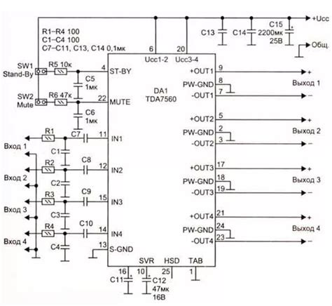
Микросхема tda7388 схема включения
Схема подключения микросхема тда 7388
TDA7388 ic audio amplifier.
Как отремонтировать магнитолу на базе TDA 7388
Даташит микросхемы тда 7388
Типовая схема включения tda7388 - 85 фото
Микросхема TDA7388 (TDA7384) - купить с доставк...
Tda 7388 усилитель распиновка
Микросхема TDA7388 - купить с доставкой по выго...