Стиль прочный высокого качества устройство цифр...
Устройство цифровой индикации (УЦИ на 3 оси) на...
Устройство цифровой индикации Ф5246
УЦИ (устройство цифровой индикации) для станков...
Индуктивный датчик: принцип работы, схемы подкл...
1.Расшифровка обозначения модели станка.
Условные обозначения станков - Энциклопедия по ...
Устройство цифровой индикации на станке ТВ16 - ...
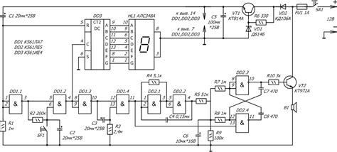
Сигнализация с цифровой индикацией
Технологические возможности и преимущества стан...
устройство цифровой индикации. Из Германии
Устройства цифровой индикации и оптические лине...
3х осное Устройство цифровой индикации (УЦИ) ко...
Купить плоскостности, измерительные инструменты...
Устройство Цифровой Индикации Для Самодельного ...
Устройство цифровой индикации DPA 31-2: продажа...
УЦИ устройство цифровой индикации купить в Крас...
Устройство цифровой индикации DRO 5: продажа, ц...
Продаём станок для изготовления закатных значко...
Маркировка станков | znak.store
Установка системы цифровой индикации. Самый про...
ЦИФРОВЫЕ ИНДИКАТОРЫ. ДИНАМИЧЕСКАЯ ИНДИКАЦИЯ. | ...
Измерение напряжения для расчета тока ШД | 3d d...
Установка устройства цифровой индикации (УЦИ) н...
Блог вчителя фізики та астрономії НВК "ЗОШ І-ІІ...
УЦИ для станков (устройства цифровой индикации)...
2х осное Устройство цифровой индикации (УЦИ) ко...
Разработка функциональной схемы устройства инди...
УСТРОЙСТВО ЦИФРОВОЙ ИНДИКАЦИИ для токарного ста...