Схема подключения стоп-сигналов автомобиля Рено...
Замена ламп на Рено Дастер: инструкция и рекоме...
Светодиодный доп стоп для Рено дастер - YouTube
Лампа стоп сигнала — Lada Vesta (1G), 1,6 л, 20...
Лампа безцокольная (стопсигнала) 12V 16W Lynx (...
Ремонт звукового сигнала рено дастер
Сигнальные лампы на щитке приборов А «Рено Даст...
Светодиодная Лампа Салона Рено Дастер – купить ...
Лампы Рено Дастер: замена лампочек ближнего све...
Контрольные лампы на консоли B «Рено Дастер 1 2...
Сигнальная лампа стояночного тормоза (Рено Даст...
Горит Сигнальная Лампа на Рено Дастер – Тестиро...
Замена лампочки дополнительного стоп сигнала – ...
Лампа ближнего света Рено Дастер
Как заменить лампочку стоп сигнала на Рено Лога...
Звуковой сигнал (Рено Дастер 1, 2009-2017) - «Э...
Рено Дастер стоп сигнал - YouTube
Замена лампы стоп-сигнала. — Renault Sandero 2G...
Лампы | Светодиодные лампы, применяемые в Рено ...
Транспондер (Рено Дастер 1, 2009-2017) - «Элект...
Замена лампы дополнительного стоп сигнала рено ...
Перечень и расположение элементов ABS (Рено Дас...
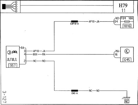
Схема подключения сигналов торможения Рено Даст...
Снятие и установка верхних стоп-сигналов Рено Л...
Лампа заднего фонаря (Рено Дастер 1, 2009-2017)...
Сигнальная лампа уровня тормозной жидкости (Рен...
Как устроен и работает датчик стоп-сигнала в ав...
Решение проблем со стоп-сигналами: устранение н...