BW24-27RH Brake, Location of Components and Hyd...
Nachrichten aus Baden-Württemberg, Stuttgart un...
BW24 RH 3 | PDF | Vehicle Technology | Land Veh...
Bomag BW24-24RH Hydraulic Schematic Drawing-No ...
人因科技 BW24 人體工學 半入耳 觸控式 TWS 真無線...
BW24 by Ippen Digital GmbH & Co. KG
BW24 Custom Stinger Prime Series - Pro Grade Wo...
BW24-27RH 22.02.07 Lenkachse Und Gewichte | PDF
BOMAG BW24 RH pneumatic roller for sale Germany...
ᐉ Наушники игровые Borofone BW24 Magic waves tr...
BW24 - Apps on Google Play
News aus Baden-Württemberg und dem Südwesten | ...
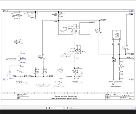
Bomag BW24-27RH Circuit Diagram Drawing-No 5381...
人因 BW24人體工學觸控式真無線藍牙耳機 BW24W | ...
Deutscher Beamtenbund Themenseite | BW24
Бездротові навушники Borofone BW24 Magic waves
BW24 RH | PDF | Internal Combustion Engine | We...
Nominal, ordinal und metrisch: kleine Übersicht...
Ferien Baden-Württemberg 2024 - Ferienkalender ...
BW24-27RH Hydraulic brake system, Hydraulic sch...
Verstehen Sie Spaß? Themenseite | BW24
BW-24系列-桓煒塑膠工業有限公司
BW24-BW24 Custom Sublimated Performance Tank
Datasheet_BW24_27RH_PRE53800010_SA06 (1) | PDF ...
Беспроводные игровые наушники borofone BW24 Mag...
【人因科技】BW24人體工學觸控式真無線藍牙耳機 - ...