ELM327 Bluetooth Mini 1.5 | Как подключить ЕЛМ ...
ELM 327 Bluetooth 4.0 для Android и IOS
Bluetooth ELM-327 адаптер (Железо) - Страница 1...
Как подключить опен диаг через елм 327 блютуз н...
Elm327 bluetooth переделка: Переделка elm327 bl...
Bluetooth ELM-327 адаптер (Железо) - Автомобиль...
ELM327 Wi-Fi OBD2 адаптер | Настройка и как под...
Елм 327 инструкция на русском – Инструкция ELM 327
Bluetooth ELM-327 адаптер (Железо) - Страница 5...
Подключение и настройка Elm327 Bluetooth к Andr...
Автосканер ELM327
ELM 327: список авто, как использовать с андрои...
Bluetooth ELM-327 адаптер (Железо) - Страница 8...
ELM327 - как пользоваться и список совместимых ...
Bluetooth ELM-327 адаптер (Железо) - Страница 7...
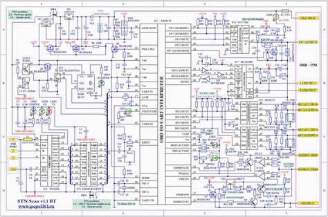
Elm327 схема адаптера - Схемы
Елм 327 нет связи с эбу
Какой выбрать елм 327: Как выбрать ELM327 автос...