amplifier - TDA7379 amp in Double Bridge config...
TDA7379_1149409.PDF Datasheet Download --- IC-O...
1-adet-grup-TDA7379-7379-ZIP-15-stokta.jpg
2.1 Amplifier TDA7379/ TDA7377 IC 0-12V
2PCS-New-and-Original-ZIP-15-TDA7294-TDA7293-TD...
TDA7379 Amplifier.
Tda7379 Circuit Diagram
5pcs/lot TDA7292 TDA7293 TDA7294 TDA7297 TDA737...
1pcs Original TDA7379 chip digital power amplif...
(PDF) TDA7379 Datasheet - Audio Power Amplifier
TDA7377 TDA7379 2.1 subwoofer - YouTube
TDA 7379 IC TDA7379 INTEGRATED CIRCUIT
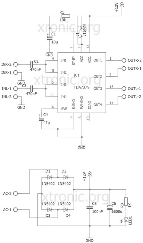
TDA7379 Amplifier Circuit Diagram 2x 38W
TDA7379 STMicroelectronics IC, TDA7379 Datashee...
10PCS TDA7379 Audio Amp IC TDA7379 NEW | eBay
5-PCS-New-Original-TDA7379-TDA7292-TDA7293-TDA7...
Circuit Stereo Power Amplifier IC TDA7379 38W -...
TDA7379 power amplifier board DC power amplifie...
UNBOXING ELECTRONICS GADGETS: TDA7379 TDA7377 T...
TDA7379 Circuit Diagram||drawing||TDA 7379 circ...
TDA7379 datasheet(5/7 Pages) STMICROELECTRONICS...
TDA7379, STA540 Great Stereo Bridge Amplifier C...
TDA7379SAN – Scion Electronics
TDA7379 datasheet(1/7 Pages) STMICROELECTRONICS...
TDA7379 ST Amplifier ICs - Jotrin Electronics
TDA7379 ST Audio Amplifiers - Veswin Electronics
TDA7379 Datasheet - Audio Power Amplifier ( PDF )
TDA7379 Electronic IC Chips 4 X 13 - 2 X 38W AU...
PDF TDA7379 Components
5PCS TDA7379-in Replacement Parts & Accessories...
IC TDA7379 TDA 7379 Audio Processor Audio Ampli...