Вольтметр Э8030
Амперметр Э8030. купить в Екатеринбурге цена 20...
Цифровой мультиметр A830L, с ЖК-дисплеем, с фун...
Амперметр на 30А Э8031-М1 купить в Одинцово цен...
Амперметр э8030-м1 содержание драгметаллов - Yo...
Аналоговый амперметр Э8030 переменного тока – A...
ТЭ-8030 — Фото — RailGallery
Паспорт Амперметр Э8030, вольтметр Э8030
Амперметр Э8030 ~ 5 А — купить в Зеленогорске. ...
Амперметр Э8030-М1 - YouTube
Амперметр Э8030 купить в Санкт-Петербурге | Хоб...
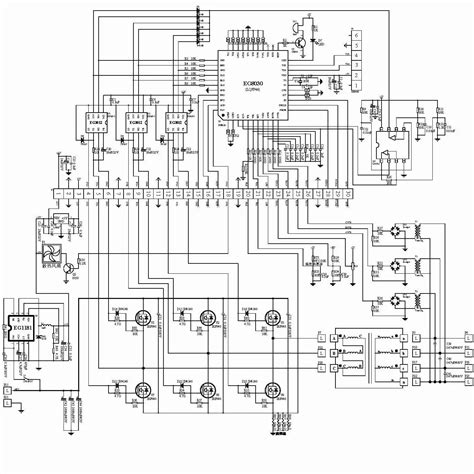
EG8030 трехфазный чистый синусоидальный инверто...
Амперметр переменного тока Э8030 на 5А купить в...
Э8030-М1 амперметр / миллиамперметр
Щитовой амперметр ''Э-30''.
Амперметр Э8030
Амперметр Э8030 купить в Санкт-Петербурге | Тов...
Амперметр Э8030-М1: купить по выгодной цене в М...
АМПЕРМЕТР АНАЛОГОВЫЙ 0 - 20 А DC, 80 х 80 мм - ...
Амперметр переменного тока Э8021 1А. 50..180.-5...
Вольтметр Э8030 (80х80мм) в наличии все пределы
Амперметр 100мка — купить в Красноярске. Состоя...
Амперметр СССР Э8030-мi купить в Санкт-Петербур...
Вольтметр Э8021 для вимірювання напруги: 50 грн...
Обзор Амперметра Э8030 - YouTube
Амперметр Э8030-М1 50 А купить в Москве | Товар...
Κιτ Περιστροφής, Πίεσης και Επαναρύθμισης Εμβόλ...
Амперметр 1А (40х40 мм) - Из личного (DIY Ардуи...
Амперметр Э8030-М1 купить в Ростове-на-Дону цен...
Купить Амперметр Э-8030 оптом от производителя
Э8022 амперметр | Приборы | Доска объявлений
فروشگاه - فروشگاه فناوران قلب تبریز
Амперметр Э8033 - YouTube