Подготовка к установке птф в КИА РИО — KIA Rio ...
Подключение птф киа рио 3 - YouTube
Круиз-контроль на Киа Рио 3: установка кнопок, ...
Киа рио схема подключения стартера
Как подключить птф на киа рио 3
ПТФ Киа Рио 3: противотуманки, противотуманные ...
Переподключил работу ПТФ от габаритов киа рио 3...
Доп свет или не штатные птф на киа рио 3 рест —...
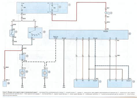
Заводская электро схема подключения птф на киа ...
Точки подключения киа рио - Авто Брянск
Led Птф Киа Рио 3 купить на OZON по низкой цене
Установка птф киа рио 3 — KIA Rio (3G), 1,4 л, ...
Киа рио 3 схема подключения фар - 85 фото
Подключение ПТФ — KIA Rio (3G), 1,4 л, 2012 год...
Самый простой а главное правильный способ подкл...
Схема подключения генератора киа рио 3 - 80 фото
Противотуманные фары (ПТФ) Kia Rio (Киа Рио): у...