商品をクリックすると拡大表示します。さらに拡大...
Усилители Кт939А + Кт399 Меняю - Продам-Отдам, ...
CT3009AE ก๊อกผสมอ่างอาบน้ำแบบก้านโยกชนิดฝังผนัง...
Транзисторы кт904а.б кт914а кт606а - Продам-Отд...
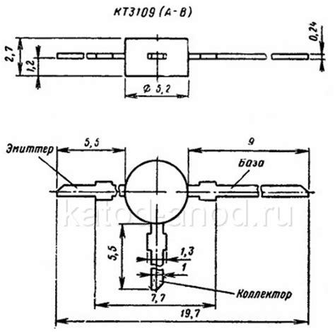
КТ3109 , kt3109 , справочник транзисторов, пара...
3109 – INC Endüstriyel Ürünler
KT3109A Datasheet - ETC
3109
Mitutoyo 3109A-10,"0.001-1MMB2|TestEquipmentUSA
Nokia 3109
خرید آنلاین و قیمت میکرومتر خارج سنج دیجیتال ای...
Hes 3109 , acx 3109 , cvt 3109 ,swh 3109 Firmwa...
000 1 Ca3109 | PDF | Amplifier | Transistor
Модель №3109
Транзистор КТ3109: КТ3109А, КТ3109Б, КТ3109В
Isolated converter / splitter - 3109
КТ3109А, КТ3109Б, КТ3109В — rcl-radio.ru
CT2109A ก๊อกผสมอ่างซิงค์พร้อมอุปกรณ์เครื่องกรอง...
CT3009AEV วาล์วผสมเปิด-ปิดน้ำแบบก้านโยกชนิดฝังผ...
CT3809-100-0 Cal Test Electronics | Test and Me...
кт3109а - Транзисторы - РетроРадиоДеталь
КТ819 характеристики транзистора, datasheet, цо...
T-3109 | SIPLah
100PCS KTC3198 GR AT/P KTC3198 C3198 TO92 in st...
Станок токарный настольный CT3090 - YouTube
KT3909
3109 Трико с тънки кръстосани презрамки и пола ...
JTC 3109A - YCAutoTools LTD.
Nokia 3109 Classic: цены, характеристики, фото,...
DC3109A 评估套件 | 亚德诺半导体
DK-3109 | Okładziny Ścienne Walltex
Калъфка за възглавница Цвят бледозелено - SINSA...