ВЭРС-ПК 8 (2007) - YouTube
ВЭРС ПК вернулся - YouTube
Скачать Виндовс 8 З Драйверами 2014 бесплатно -...
Windows 8 скачать торрент iso операционная система
Вэрс пк 8 инструкция – Telegraph
Вэрс Пк 8 Инструкция - afterinstruction
Windоws 8.1 Professional VL with Update x86 & x...
Российский процессор «Эльбрус-8СВ» протестирова...
Пожарная сигнализация ВЭРС-ПК 8П версия 3.2. Ка...
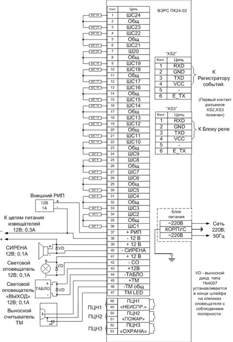
Вэрс пк 8 схема подключения - Схемы
Windows 8 оригинальные образы скачать торрент
ВЭРС ПК 2 - YouTube
ВЭРС-ПК 8 ТРИО Прибор приемно-контрольный охран...
Вэрс-пк 8 инструкция – Telegraph
Прибор приемно-контрольный охранно-пожарный ВЭР...
Вэрс пк 8 схема подключения - 35 фото
Проверка ВЭРС ПК 16 прибор 2 - YouTube
ВЭРС-ПК 8 П версия 3.2 (прибор ОПС) — Видеонабл...
(Вэрс пк-8 и Гранит 2) Моя ОПС. Обзор - YouTube
Вэрс пк 8 схема подключения - 80 фото
ВЭРС-ПК 8 П – Аспект Безопасности № 1- Системы ...
Купить Приемно-контрольный прибор ВЭРС охранно-...
скачать Platform 8 (последняя версия) бесплатно...
Инструкция вэрс-пк 8 – Telegraph
Вэрс-пк8 инструкция — купить по низкой цене на ...
Вэрс 8 инструкция – Telegraph
Windows 8 - обзор
Лучшая Windows 8.1 x64 для ПК старше 8 лет Pro ...