Авиационное электромагнитное реле РП-3. Описани...
Реле РП-23, РП-25 - расшифровка, содержание дра...
Купити Реле РЕП-3 24В електронне, МАЗ пр-во ОДО...
Про реле BTT Relay V 1.2
Реле РП3,4,5 +термопари. - «VIOLITY»
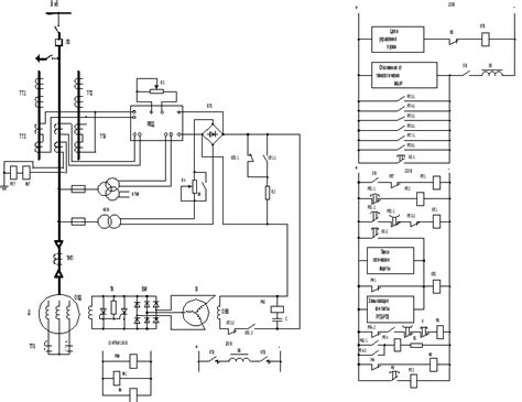
Компрессорные станции
Советское пусковое реле Р3 на 1.4А для холодиль...
Реле РПГ-3 - расшифровка, содержание драгметалл...
РП3-16 Розетка. (арт. TN-5241) купить в интерне...
РП3-10 розетка, Соединители низкочастотные прям...
Промежуточные реле РП - схемы подключения и хар...
РП3-16А Розетка, "1" (арт. TN-5239) купить в ин...
Реле — «ВНИИР-Промэлектро»
Скупка реле РЭС, РПС, РПВ и других в Екатеринбурге
Реле промежуточное типа РП-23,РП-25: продажа, ц...
Реле напряжения и контроля мощности нагрузки De...
Релеон - Российский производитель релейного обо...
Продам ПРЕДЛАГАЮ РП3-10, РП3-16, РП3-30 вилка и...
Пусковое реле для холодильника РП3-23 СССР — ку...
⭐ Реле тепловое РТЛ-3. Низкие цены. На складе в...
Реле - устройство применение, подключение, как ...
РВП-3 реле времени пусковое купить в Москве по ...
РП3-30 Розетка врубного сочленения, пластмасса ...
Реле про-7 (114818889) - buy on Violity
Виды реле: все типы с кратким описанием, их наз...
Пусковое реле Р3, ртк-Х(М), рп3-Х Москва | Быто...
Рп 9 реле: Реле промежуточные двухпозиционные Р...