Solved 3. Given the following 6 bit "R-2R" D/A ...
Using e=mc^2 and 2r=d to state that c+c=r+r=d :...
thevenin - How to Calculate Appropriate R-2R D/...
Lecture 7 Overview
πRL/ρ as function of 2r/d according to Equation...
Digital to Analogue (D/A) Converter in Digital ...
SOLVED: Determine the output of a 4 bit R-2R D ...
Cognex 821-0025-2R D DataMan Checker Machine Vi...
operational amplifier - R-2R ladder D/A convert...
Inverted R 2r Ladder Dac Circuit Diagram
R-2R D to A Converter | Tom's Maker Site
R-2R DAC (R-2R Digital-to-Analogue Converter)
Solved Given the R-2R D/A converter below | Che...
R 2R ladder D to A converter - YouTube
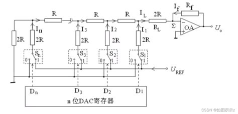
硬件电路(软考)- T型网络D/A转换器_t型电阻网络-...
R-2r Ladder D/a Converter
Solved Assuming the R-2R ladder D/A converter s...
2-deoxy-D-ribose-SA (2dDR) Gel | 2dDrHair Sugar...
Solved Calculate output voltage of the R-2R D/A...
SOLVED: For a 4-bit R-2R ladder based D/A conve...
R-2R ladder D/A converter | Electronics Enginee...
2種類の異なる抵抗を使用したD-Aコンバータ | CQ出...
COMP2121: Microprocessors and Interfacing - ppt...
Solved 3. Given the following 6 bit "R-2R" D /A...
Explain The Operation Of R-2r Ladder Dac
Explain R-2r Ladder Type D/a Converter
3)/Consider the 4-bit R-2R ladder D/A converter...